Sensores flotantes magnéticos plásticos
Ambos modelos
Modelo LS-HP05
Dimensiones LS-HP05
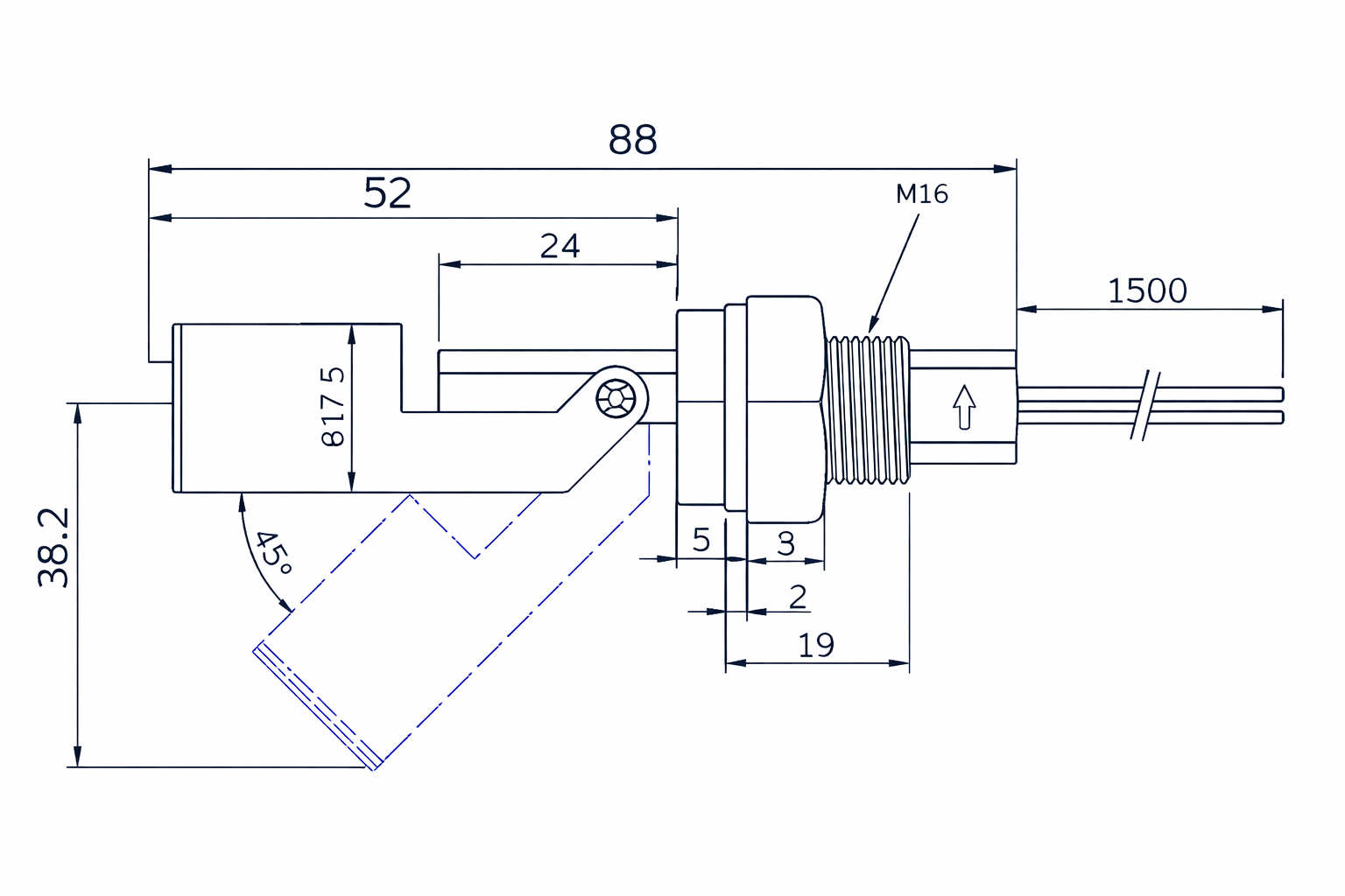
Dimensiones rosca externa
Rosca externa vista 1
Rosca externa vista 2
Diagrama instalación

Sensor de Nivel Flotante Magnético Plástico

Detección confiable de nivel en tanques con montaje lateral - Material plástico resistente

Los sensores de nivel flotante magnético en polipropileno son dispositivos económicos y confiables utilizados en aplicaciones industriales en Argentina para detección de niveles máximos o mínimos en tanques con líquidos. Su principio de funcionamiento se basa en un flotador de polipropileno que contiene un imán permanente, el cual activa un contacto reed switch hermético cuando el nivel del líquido alcanza la posición del sensor.

La construcción íntegramente en polipropileno (PP) garantiza excelente resistencia química y compatibilidad con una amplia gama de líquidos: agua limpia, agua de proceso, aceites, soluciones acuosas y otros líquidos no agresivos con el polipropileno. El material plástico también los hace ideales para aplicaciones donde se requiere aislación eléctrica o resistencia a ambientes corrosivos.

Disponibles en dos modelos según el tipo de conexión requerida: modelo con rosca interna 1/2" BSP para instalación directa, y modelo con rosca externa M16 con contratuerca y O-ring para mayor versatilidad de montaje.

Modelos disponibles según tipo de conexión

Modelo F6-P

Conexión: Rosca 1/2" BSP (del lado interno)

Modelo F4-P

Conexión: Rosca M16 con contratuerca y O-ring (del lado externo)

Especificaciones Técnicas

Parámetro F6-P
Rosca Interna
F4-P
Rosca Externa + contratuerca
Tipo de sensor Flotante magnético lateral
Material Polipropileno (PP)
Tipo de contacto NA / NC (según instalación)
Conexión a proceso Rosca 1/2" BSP Rosca macho M16 + o'ring + contratuerca
Medio compatible Agua y líquidos compatibles
Rango de temperatura −10 a 85 °C
Grado de protección IP67
Principio de funcionamiento Reed Switch magnético
Capacidad de conmutación 10W
200 VDC / 140 VAC máx
0.5 A máx
Conexión eléctrica Salida cableada

Aplicaciones Principales

💧

Tanques de Agua

Control de nivel en tanques de agua potable, reservas domiciliarias, cisternas y sistemas de riego

🏭

Procesos Industriales

Monitoreo de nivel en procesos con agua de enfriamiento, líquidos de proceso no corrosivos

⚙️

Aceites y Lubricantes

Control de nivel en depósitos de aceites hidráulicos, aceites de corte y fluidos de lubricación

🚰

Sistemas de Filtrado

Detección de nivel en plantas de tratamiento de agua, sistemas de filtrado y purificación

🏠

Aplicaciones Domésticas

Tanques de reserva domiciliarios, sistemas de presión, bombas de agua automáticas

⚗️

Laboratorios

Control de nivel en tanques de reactivos, soluciones acuosas, sistemas de dosificación

Ventajas del Sensor Flotante de Polipropileno

Material económico y resistente Construcción en polipropileno que reduce costos sin sacrificar confiabilidad y durabilidad
Excelente resistencia química El polipropileno es compatible con agua, aceites, soluciones acuosas y muchos químicos comunes
Sin consumo eléctrico propio El sensor no requiere alimentación para funcionar, solo el circuito conectado consume energía
Aislación eléctrica completa Material plástico que evita problemas de conexiones eléctricas a tierra en tanques metálicos
Liviano y fácil de instalar Peso reducido facilita el montaje y manipulación durante la instalación
Dos opciones de montaje Disponible con rosca interna (instalación directa) o rosca externa con contratuerca (mayor versatilidad)
Alta protección IP67 Protección completa contra polvo y resistencia a inmersión temporal, ideal para ambientes húmedos
Doble funcionalidad NA/NC El mismo sensor se puede utilizar como normal abierto o normal cerrado según su instalación
Sin calibración necesaria Funcionamiento mecánico simple que no requiere ajustes ni mantenimiento programado
Resistente a la corrosión Ideal para ambientes donde sensores metálicos podrían deteriorarse con el tiempo

Preguntas Frecuentes

¿Cuál es la diferencia principal entre ambos modelos?
La principal diferencia está en el tipo de conexión: el F6-P tiene rosca hembra 1/2" BSP que se enrosca directamente en el tanque, mientras que el F4-P tiene rosca macho M16 que se instala pasando a través de un orificio en el tanque y se fija con contratuerca y O-ring. El F4-P es más versátil para diferentes espesores de pared, mientras que el F6-P es más simple de instalar si el tanque ya tiene la rosca preparada.
¿El polipropileno es resistente al agua clorada?
Sí, el polipropileno tiene excelente resistencia al cloro y es perfectamente apto para tanques de agua potable clorada. De hecho, es una de las razones por las que estos sensores son muy populares en sistemas de agua municipales y domiciliarios.
¿Se pueden usar con aceites o combustibles?
El polipropileno es compatible con aceites hidráulicos, aceites minerales y gasoil. Sin embargo, NO es recomendable para nafta, solventes aromáticos (benceno, tolueno) ni combustibles con alto contenido de aditivos agresivos. Para esas aplicaciones se recomienda el sensor en acero inoxidable.
¿Qué modelo debo elegir para mi aplicación?
Elegir F6-P (rosca del lado interno) si tu tanque tiene un agujero donde la rosca macho del sensor se enrosca desde afuera quedando el cuerpo del sensor hacia el exterior del tanque. Es ideal para tanques de polietileno o PVC que suelen venir con boquillas preparadas para este tipo de montaje.

Elegir F4-P (rosca del lado externo) si necesitás más versatilidad, si vas a instalar en tanques de diferentes espesores de pared, o si preferís un montaje con contratuerca que permite mayor ajuste. También si necesitás mayor resistencia a vibración (especificada en la ficha).
¿Son aptos para usar con 220 VAC?
No, ninguno de los dos modelos está recomendado para 220 VAC. Ambos sensores (F6-P y F4-P) tienen una tensión máxima de conmutación de 140 VAC (o 200 VDC).

Si necesitás controlar equipos a 220 VAC, debes usar el contacto del sensor para accionar la bobina de un relé o contactor auxiliar, y que ese relé sea quien maneje la carga a 220 VAC. La bobina del relé puede ser de 12V o 24V, tensiones adecuadas para estos sensores.
¿Cómo se instalan estos sensores?
F6-P: Se enrosca desde el exterior del tanque. El sensor tiene rosca macho 1/2" BSP que se introduce en el agujero del tanque, quedando el cuerpo del sensor hacia el exterior del tanque. Usar cinta teflón en la rosca para garantizar sellado.

F4-P: Se pasa a través de un orificio de 16mm en la pared del tanque, se coloca el O-ring de sellado y se ajusta con la contratuerca desde el interior del tanque.

En ambos casos, el flotador debe quedar colgando verticalmente dentro del tanque con espacio libre para moverse.
¿Pueden manejar directamente una bomba o motor?
No es recomendable. Estos sensores están pensados para señalización mediante un contacto magnético tipo reed switch. Las bombas y motores generan picos de corriente al arranque que pueden reducir la vida útil del contacto.

Se recomienda usar el flotante para accionar la bobina de un relé o contactor, y que éste sea quien maneje la bomba.
¿Funcionan en tanques presurizados?
Ambos modelos (F6-P y F4-P) están diseñados para tanques atmosféricos o con presión muy baja. No están especificados para soportar presiones significativas.

Para aplicaciones con presión interna moderada a alta (>1 bar), se recomienda consultar por sensores de nivel flotantes especialmente diseñados para tanques presurizados, típicamente con construcción reforzada y mayor espesor de pared.
¿Qué significa IP67?
IP67 es una clasificación del grado de protección contra ingreso de partículas sólidas y líquidos, según norma internacional IEC 60529.

Primer dígito (6): Protección completa contra polvo. Ninguna partícula puede ingresar al interior del dispositivo.

Segundo dígito (7): Protección contra inmersión temporal en agua. El sensor puede ser sumergido hasta 1 metro de profundidad durante 30 minutos sin que ingrese agua que cause daño.

Para aplicaciones de sensores de nivel en tanques, IP67 es más que suficiente. El sensor está diseñado para estar parcialmente sumergido cuando el flotador está bajo agua, y la electrónica interna del reed switch está completamente sellada.
¿Qué mantenimiento requieren?
Mantenimiento mínimo. Inspección visual periódica para verificar que el flotador no tenga incrustaciones de material que puedan afectar su flotabilidad o movimiento. En agua con alto contenido de sólidos o sedimentos, limpiar el flotador ocasionalmente. El reed switch es hermético y no requiere mantenimiento. El polipropileno no se corroe, a diferencia de los sensores metálicos.
¿Realizan envíos a toda Argentina?
Sí, realizamos envíos a todo el país mediante empresas de transporte de cargas, empresas de correo postal, mensajería, etc.

¿Necesitás asesoramiento técnico?

Nuestro equipo puede ayudarte a determinar cuál de los dos modelos es el más adecuado para tu aplicación específica.

Consultar por WhatsApp